Bồn Cầu TOTO CW822RA#W TC385VS#W WH172A MB175M#SS Treo Tường - Tuấn Đức
Bồn Cầu TOTO CW822RA#W TC385VS#W WH172A MB175M#SS Treo Tường
Bồn Cầu TOTO CW822RA#W TC385VS#W WH172A MB175M#SS Treo Tường
| Mã sản phẩm: | CW822RA#W/TC385VS#W/WH172A/MB175M#SS |
|---|---|
| Tình trạng: | Còn hàng |
| Giá thị trường: 24.740.000 đ | |
19.820.000 đ |
-
GIAO HÀNG TRONG NGÀY -
ĐẢM BẢO 100% CHÍNH HÃNG -
DỊCH VỤ LẮP ĐẶT CHUẨN -
CAM KẾT GIÁ TỐT
Chi tiết
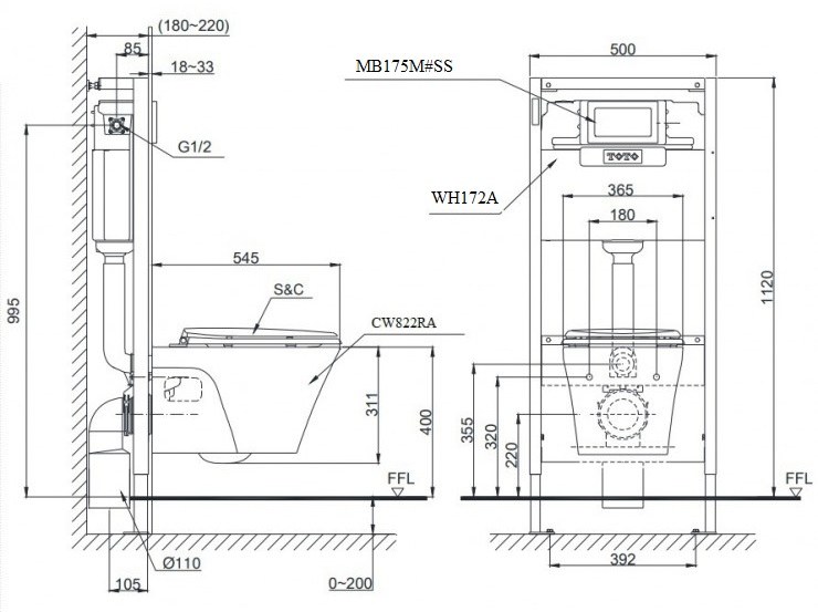
Thông số bồn cầu treo tường TOTO CW822RA/TC385VS/WH172A/MB175M-SS
- Mã sản phẩm: CW822RA#W/TC385VS#W/WH172A/MB175M#SS
- Tên sản phẩm: Bàn cầu treo tường AVANTE , nắp đóng êm TC385VS
- Hệ thống xả: Siphon
- Thiết kế: Thân dài
- Tâm xả: 220 mm
- Kích thước: 545x365x311 mm
- Lượng nước xả: 3.8/ 3.0L
- Áp lực nước: 0.05Mpa~0.75Mpa
- Màu sắc: Màu trắng
Tính năng bàn cầu âm tường TOTO CW822RA TC385VS WH172A MB175M#SS
- Thiết kế hài hòa với bộ AVANTE
- Nắp đóng êm
- Thiết kế thân kín giúp tiết kiệm thời gian, chi phí vệ sinh sản phẩm
- Bàn cầu kiểu dáng treo tường giúp dễ dàng vệ sinh
- Thiết kế két nước âm tường
Chi tiết phụ kiện bồn cầu đặt sàn gồm có:
- Thân cầu: CW822RA - Xuất xứ: Inđônêxia
- Nắp bồn cầu: TC385VS- Xuất xứ: Việt Nam
- Két nước và khung âm tường: WH172A - Xuất xứ: Trung Quốc
- Nắp đậy nút xả nhấn: MB175M#SS - Xuất xứ: Trung Quốc
Bản vẽ kỹ thuật bệt két âm Toto CW822RA-TC385VS-WH172A-MB175M#SS

Phụ kiện thay thế
Tài liệu đính kèm
Đánh giá
Reviews Over Bồn Cầu TOTO CW822RA#W TC385VS#W WH172A MB175M#SS Treo Tường
Average Rating:
Total Reviews (2)
TOP CUSTOMER REVIEWS
Sản phẩm cùng loại
Bồn Cầu TOTO CW550 TC393VS TS153S TV150NSV6J Van Xả Gạt Tay
Thông số bồn cầu TOTO CW550 TC393VS TS153S TV150NSV6J Mã sản phẩm: CW705ENJ/..
-20% 13.610.000 đ 16.907.000 đ
Bồn Cầu TOTO CW762/TC384CVK#W/MB170P/WH171A Treo Tường
Thông số kỹ thuật bồn cầu TOTO CW762/TC384CVK#W/MB170P/WH171A: Bộ sưu tập: BASIC+ ..
-20% 18.070.000 đ 22.582.000 đ
Bồn Cầu Điện Tử TOTO CS986GW16 Nắp Rửa Washlet TCF23410AAA C2
Thông tin bồn cầu TOTO CS986GW16 nắp rửa điện tử Tên sản phẩm: B&oc..
-20% 18.070.000 đ 22.582.000 đ
Bồn Cầu Treo Tường TOTO CW812REA TCF47360GAA WH172AAT TCA546 MB175M#SS
Thông số bồn cầu treo tường TOTO CW812REA TCF47360GAA WH172AAT TCA546 MB175M#SS Bộ ..
-20% 59.590.000 đ 74.363.000 đ
Bồn Cầu Điện Tử TOTO MS887RW14 Washlet
Thông tin bồn cầu TOTO MS887RW14 nắp rửa điện tử Mã sản phẩm: MS887RW1..
-25% 24.263.000 đ 32.351.000 đ
Bồn Cầu Điện Tử TOTO CS838DW16 Nắp Rửa Washlet TCF23410AAA C2
Thông tin bồn cầu TOTO CS838DW16 nắp rửa điện tử Bồn cầu TOTO nắp ..
-25% 15.824.000 đ 21.099.000 đ
Bồn Cầu TOTO CW542HME5UNW1/TCF795C2Z/WH172AAT/MB175M#SS Treo Tường Tự Động Xả
Thông số bồn cầu treo tường TOTO CW542HME5UNW1/TCF795C2Z/WH172AAT/MB175M#SS Mã sả..
-20% 74.790.000 đ 93.489.000 đ
Bồn Cầu Điện Tử TOTO MS625DW16 Nắp Rửa Washlet TCF23410AAA C2
Thông tin bồn cầu TOTO MS625DW16 nắp rửa điện tử Tên sản phẩm: B&oc..
-25% 23.600.000 đ 31.467.000 đ
Bàn Cầu INAX AC-22PVN (AC22PVN) Treo Tường Nắp Êm Kèm Van Xả
Thông tin bồn cầu Inax AC-22PVN treo tường Sản phẩm bồn cầu INAX AC-22 PVN treo tường h&..
-4% 13.720.000 đ 14.220.000 đ
[CLC] Bồn Cầu Điện Tử TOTO CS767CW12#XW Nắp Washlet Giấu Dây
Thông tin bồn cầu TOTO CS767CW12 nắp rửa điện tử Mã sản phẩm: CS7..
-39% 24.710.000 đ 40.588.000 đ
Bồn Cầu TOTO CW522EA/TCF796CZ/WH172AT/MB171M#SS Nắp Điện Tử Treo Tường
Thông số bồn cầu treo tường TOTO CW522EA/TCF796CZ/WH172AT/MB171M#SS Mã sản phẩm:&..
-20% 58.670.000 đ 73.342.000 đ
Bồn Cầu Viglacera VI6 2 Khối Nắp Êm
Thông tin cơ bản bồn cầu Viglacera VI6 Bàn cầu Viglacera VI6 hai khối ..
-28% 2.380.000 đ 3.300.000 đ
Bồn Cầu TOTO CS838DE2 Hai Khối Nắp Cơ
Thông tin bồn cầu TOTO CS838DE2 nắp rửa cơ Tên sản phẩm: Bồn cầu TOTO ha..
-20% 9.230.000 đ 11.546.000 đ
Bồn Cầu Nắp Điện Tử INAX AC-919R/CW-H18VN
Thông tin bồn cầu Inax AC-919R+CW-H18VN/BW1 Tên sản phẩm: Bồn cầu một khối nắp rửa..
-28% 16.550.000 đ 23.050.000 đ
Bồn Cầu TOTO MS887RT8 (MS887T8) Một Khối Nắp TC600VS
Thông tin cơ bản bồn cầu TOTO MS887RT8 Thiết kế : Thân dài Hệ thống ..
-18% 11.500.000 đ 14.020.000 đ
Sản phẩm đã xem
Bát sen gắn tường TOTO TX488SZ Tròn 250 mm
Thông tin bát sen gắn tường TOTO TX488SZ Mã sản phẩm: TX488SZ&n..
-20% 5.400.000 đ 6.745.000 đ
Bồn Nước Đại Thành Inox 15000L Ngang Ø 2,2m
Thông số bồn nước inox Đại Thành 15000 lít ngang SUS 304 Chất liệu bồn: In..
-7% 67.570.000 đ 72.900.000 đ
Vòi Bếp Teka Formentera 997 Blue 62997021FB Nóng Lạnh
Thông tin vòi bếp Teka Formentera 997 Blue 62997021FB nóng lạnh : V&o..
-30% 6.000.000 đ 8.569.000 đ
Thanh Treo Khăn Moen ACC1604
Bộ sưu tập Noah của thương hiệu thiết bị vệ sinh Moen Giá vắt khăn tắm Moen ACC1604 Xu..
-27% 670.000 đ 920.000 đ
Vòi Sen Tắm TOTO TBG10302VA/TBW01008V Nóng Lạnh
Thông tin cơ bản vòi hoa sen TOTO TBG10302VA/TBW01008V Mã sản phẩm: T..
-20% 7.770.000 đ 9.711.000 đ
Bồn Cầu TOTO CW812RA#W TCW1211A#NW WH172A MB175M#SS Nắp Rửa Cơ Treo Tường
Thông số bồn cầu treo tường CW812RA#W/TCW1211A#NW/WH172A/MB175M#SS Bộ sưu tập: LE M..
-20% 25.160.000 đ 31.456.000 đ
Bộ Phụ Kiện TOTO YS903N5V 5 Món
Thông tin cơ bản bộ phụ kiện TOTO YS903N5V 5 món Bộ sưu tập G SERI..
-20% 10.090.000 đ 12.607.000 đ

